CARTER MOTEUR GAUCHE 2

TGB TARGET 600

Livraison offerte (France)

dès 100€ (hors véhicules)

Un conseil ?

03 27 23 84 76

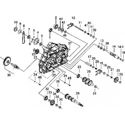
Repère
Référence
Qte
vue éclatée
Dispo.
Prix
Repère
Qte vue éclatée
5

VIS TGB

TGB-S46601
3
0,72 €

14

PIGNON

TGB-927374
1
158,40 €

REPERE 42, SI NO SERIE EST PLUS PETIT 010008, UTILISER LA REF. CI-DESSOUS :

REPERE 42A, SI NO SERIE EST PLUS GRAND 010009, UTILISER LA REF. CI-DESSOUS :

REPERE 47, SI NO SERIE EST PLUS GRAND 010009, UTILISER LA REF. CI-DESSOUS :

47

PION

TGB-927401
1
6,00 €