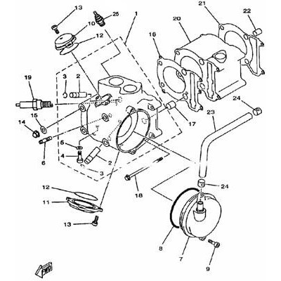
CYLINDRE

2a92c493d81a1c2bf7f2bb0fbabf9

Livraison offerte (France)

dès 100€ (hors véhicules)

Un conseil ?

03 27 23 84 76

Repère
Référence
Qte
vue éclatée
Dispo.
Prix
Repère
Qte vue éclatée
3

JONCS

HY10112
2
1,08 €