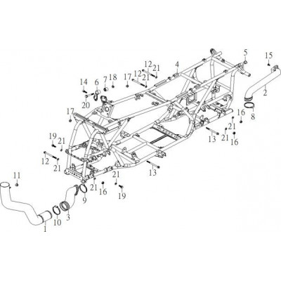
CHASSIS

1a2ac94ff3fe1dced6cb51815bf5b

Livraison offerte (France)

dès 100€ (hors véhicules)

Un conseil ?

03 27 23 84 76

Repère
Référence
Qte
vue éclatée
Dispo.
Prix
Repère
Qte vue éclatée
1

DURITE

SC-15433-MAX-01
1
52,80 €

2

DURITE

SC-15434-ML8-00
1
79,20 €

3

RACCORD

SC-15438-ML8-00
1
44,16 €

4

CHASSIS

SC-41110-TL9-00
1
1 356,00 €

8

COLLIER

SC-90281-090070
1
3,84 €

9

COLLIER

SC-90281-090080
1
5,76 €

10

CLIP

SC-90281-090090
1
5,76 €

11

TAMPON

SC-93580-102212
1
1,44 €

12

GOUJON

SC-94610-10113-B
3
4,32 €

13

GOUJON

SC-94610-10125-B
2
5,76 €

14

VIS

SC-94706-10020-B
2
1,92 €

15

VIS

SC-94710-06016-G
1
1,44 €

17

ECROU M10

SC-95311-101710-B
2
3,12 €

18

ECROU

SC-95311-101710-C
1
1,44 €

19

VIS

SC-96414-10030-B
2
1,92 €

20

GOUJON

SC-96414-10050-C
1
2,40 €

21

RONDELLE

SC-97201-102220-B
8
1,44 €