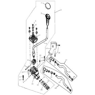
TRINGLERIE DE VITESSES
d9e3cea4df8c3f900443c3470698f
Repère
                          Référence
                          Qte 
vue éclatée
                          
                          vue éclatée
Dispo.
                          Prix
                        Repère
                          Qte vue éclatée