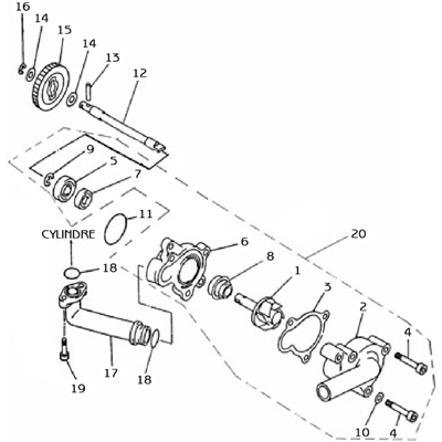
ENSEMBLE POMPE A EAU
92574ec4db23181bdecc0b3caa08c
Repère
                          Référence
                          Qte 
vue éclatée
                          
                          vue éclatée
Dispo.
                          Prix
                        Repère
                          Qte vue éclatée